ARKKITEHTISUUNNITTELU PETRI KARVINEN

Hirsimökin laajennus huvilaksi






näköala avautuu jo eteisestä

Näköala avautuu jo eteisestä.
huvilan näköala kahdesta kerroksesta
korkea olohuone     korkea olohuone

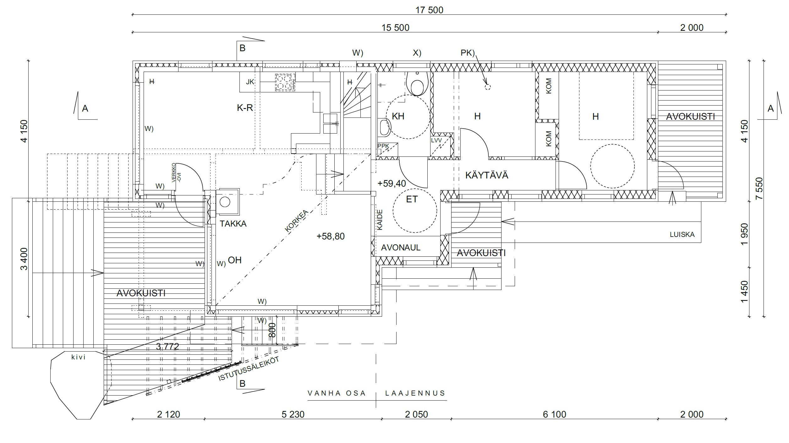
pohjapiirros 1. kerros
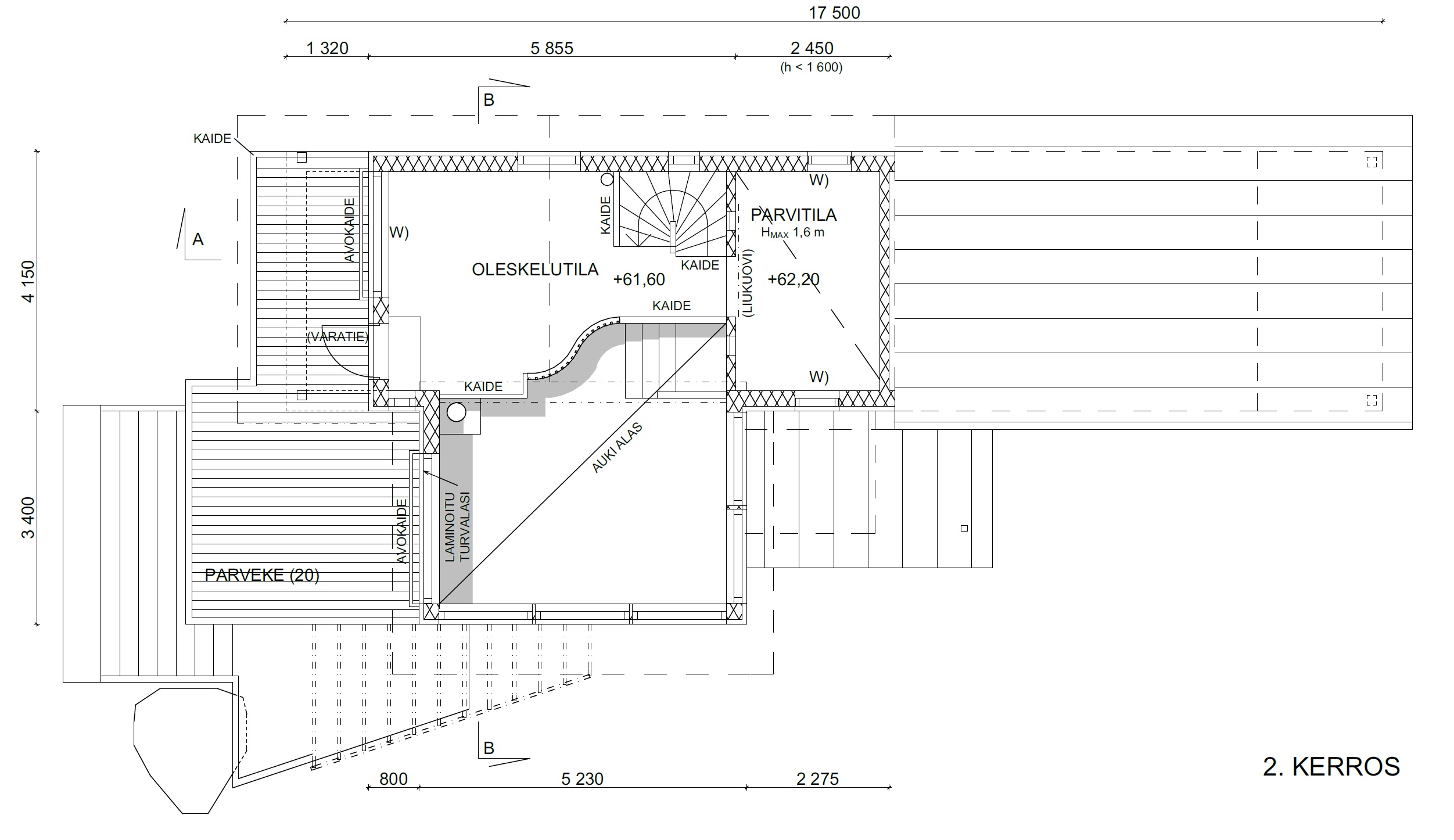
pohjapiirros 2. kerros
Rakennus on sovitettu ympäristöönsä tummalla värityksellä  ja harkituilla kattomuodoilla siten, että se maastoutuu tummaan metsäiseen rinteeseen myös järven suunnalta. Kerrosalaa  koko rakennukselle oli käytettävissä  100 m2. Lisää käyttökelpoista tilaa saatiin loivan kattolappeen alle sijoitetulta alkovimaiselta makuuparvelta.
mökki ennen laajennusta

Ennen
laajennus rakenteilla

Rakenteilla
havainnekuva

Havainne







ARKKITEHTI PETRI KARVINEN  
PETÄJÄNOTKO 17 02540 KYLMÄLÄ (KIRKKONUMMI)
puh : 050 357 1692

info at petrikarvinen.net

www.petrikarvinen.net

Petri Karvinen © 2024.

.